來源:本站???作者:001 ???發布時間: 2023-11-10 09:42???瀏覽: 1660
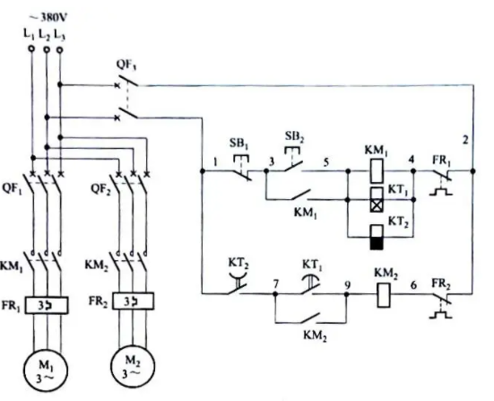
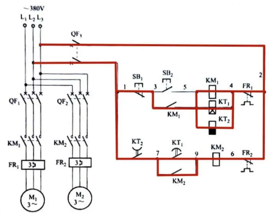
時間繼電器控制順序啟動順序停止電路
時間繼電器控制順序啟動順序停止電路

今天我們來了解一下,利用時間繼電器控制順序啟動、順序停止的電路。

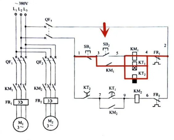
首先,按下啟動按鈕SB2,接觸器KM1、通電延時繼電器KT1、斷電延時時間繼電器KT2同時通電,接觸器KM1常開觸點閉合形成自鎖。

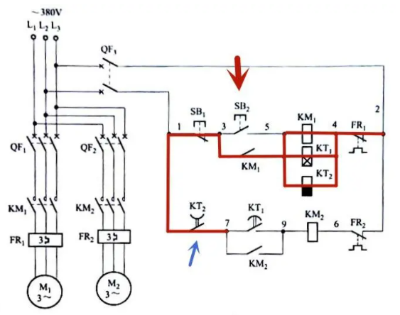
斷電時間繼電器,延時斷開常開觸點瞬間閉合,為接觸器KM2通電做準備。

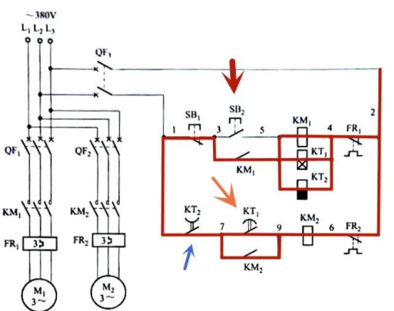
經過一段時間延時后,通電延時動作時間繼電器KT1觸點動作,接觸器KM2吸合并自鎖。

此時電路啟動完成。

停止時,按下停止按鈕SB2。

接觸器KM1自鎖點斷開,接觸器KM1,時間繼電器KT1、KT2同時斷電。

通電延時動作繼電器KT1,觸點瞬間斷開。

經過一段時間后,斷電延時動作時間繼電器KT2觸點動作,接觸器KM2失電。
公司介紹:上海上繼科技有限公司是一家專業從事電力系統繼電保護及智能電網電力自動化產品的研發、設計、生產、銷售和服務為一體的高科技公司。擁有資深繼電保護專家團隊和國內領先的檢測儀器及校驗設備。同時還引用國內外先進技術,來進行技術創新。本公司的產品廣泛用于電力、工礦、鐵路、建筑等國家重大工程輸配變電系統上,產品遠銷東南亞及中東地區。產品通過國家繼電保護及自動化設備質量監督檢驗中心檢測,獲得ISO9001國際質量體系認證。“科技創新,誠信務實”是公司的經營理念,本公司以高超的技術支持和對用戶高度負責的售后服務贏得了輸配電成套企業的信賴,且樹立了良好的信譽。
公司主營:繼電器(時間繼電器,電壓繼電器,電流繼電器,中間繼電器,信號繼電器,閃光繼電器,沖擊繼電器,同步檢查繼電器,接地繼電器,差動繼電器,重合閘繼電器,絕緣監視繼電器,雙位置繼電器,模數化繼電器),微機保護裝置,電力儀表,智能操控裝置
上海上繼科技有限公司(專注電力保護繼電器生產廠家)銷售熱線:021-57233089 QQ:1932551438
{以上內容僅供參考,上海上繼科技有限公司有最終解釋權}
更多繼電器精彩文章——繼電器在保溫柜中的應用
上一篇:繼電器在保溫柜中的應用
下一篇:電磁式繼電器的構造和工作機制詳解

